Welcome toShanghai Dunrui Trading Co., Ltd
Online Consultation
简体中文
English
Service Hotline
18702191290
Home
Video
Company Profile
Company News
Honors & Qualifications
Contact Us
Contact Us
Friendly Links
HOT
Hot Searches:
视频
Online Store
公司新闻
荣誉资质
友情链接
CATEGORY
Company Profile
Honors & Qualifications
Service Hotline
18702191290
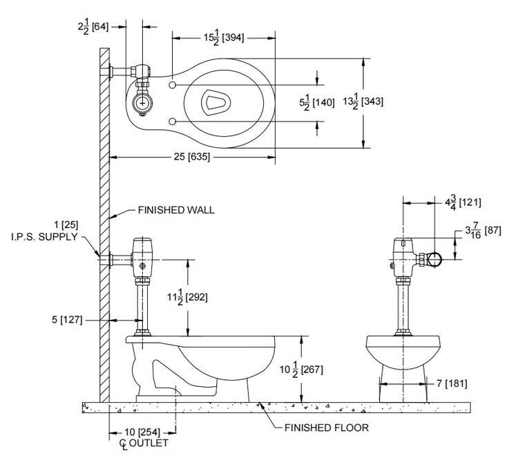
ZURN朱恩儿童马桶专用落地座便器Z5675商用小孩哥马桶感应冲洗阀
Location
Shanghai
Last Updated
2026-02-20
Details
Related Products
Italian falper sauna independent artificially embedded bath basin modern european custom
Gessi tub tap spa 58099 + 58129
Kaldewei cardwie mega douo oval black embedded bathtub independent rectangular clean-up akli
Getsi's italian jesús bath-basket tap, 4604 taps. High
Aquaiux leadless stainless steel, a very simple water basin in the water of the island's hot, cold-h
Lefroybrooks british bath wl-1230, three-faced water tap restoration
Lefroy books, uk, bath tub tap wl1230, retro cold, hot-faced tap
Kallista caristafa's primer p25051-slg three-hole luxuries
18702191290