Welcome toShenzhen city's grand electronics ltd
Online Consultation
简体中文
English
Service Hotline
13288887685
Home
Video
Company Profile
Company News
Honors & Qualifications
Contact Us
Contact Us
Friendly Links
HOT
Hot Searches:
视频
Online Store
公司新闻
荣誉资质
友情链接
CATEGORY
Company Profile
Honors & Qualifications
Service Hotline
13288887685
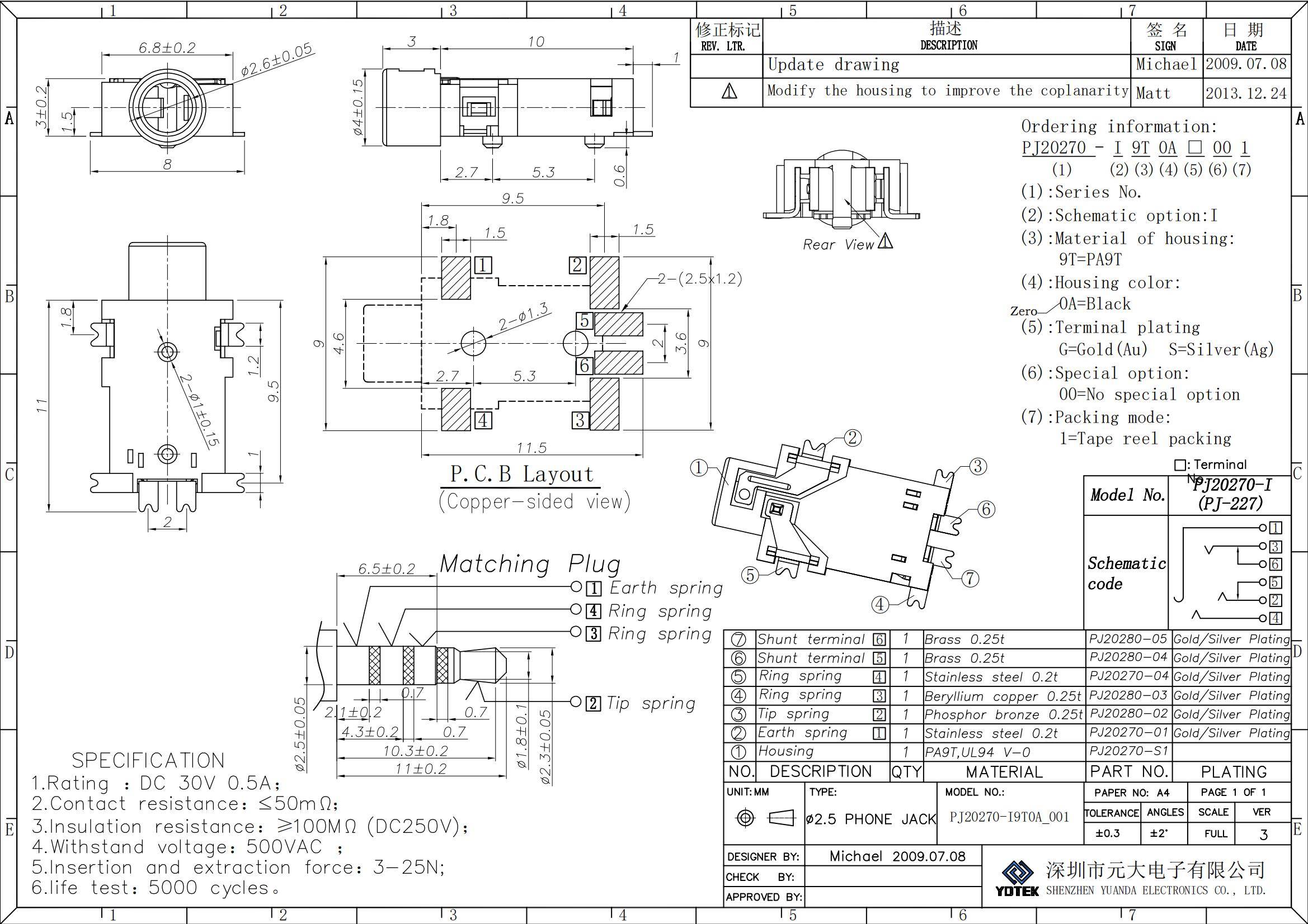
PJ20270耳机插座 4pin音频电源视频2.5插座 SMT母座
Location
Guangdong Dongguan
Last Updated
2026-04-04
Details
Related Products
Pj20270 headphone plugin 4pin audio power video 2. 5 plugin smt
Pj20270 headphone plugin 4pin audio power video 2. 5 plugin smt
13288887685