Electrolysis
1. Separators
Separators are key components of the chain circuit. The forensics used in the frequency synthesiser consist mainly of the sine wave phase detector and the pulse sample maintenance phase comparator。
1) the sine phase detector, which is actually a balanced mixer, has the following rationale:

However, it is a detection circuit that requires a higher balance, which is important for symmetry. It is easy to form a print output, which is particularly detrimental to the digital chain cycle, as it will mix the chain cycle with a commingled signal, so digital frequency compositers often use pulse samples below to maintain a catheter。
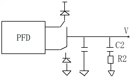
2) pulse sample-keeping phase comparator
The following is the basic box figure for this phase comparator:

It has two advantages:
The output texture voltage is small
The phase comparison can be performed at 360 degrees
First, both the reference standard frequency ƒr and the vco frequency ƒv voltage form pulses. The pulse, with a frequency of ƒr, is used to control a switch circuit that allows the capacitor ccb to generate cyclical charge and discharges, forming a sawntooth wave voltage as shown in (a) below:

Because of ƒv = ƒr, it is clear that tv of the sample pulse cycle is the same as tr of the sawp wave voltage. The function of the sample pulse is to control the sample switch, which connects it to the pulse when it exists, so that the voltage obtained on the capacitor cd is equal to the instant sawntooth voltage vd. When the pulse of the sample is zero, the sample switch breaks off and the original charge voltage vd is maintained on the cd, as shown in figure (c). If the frequency of the vco changes slightly (i. E., if it fails), i. E., if the pulse of the sample moves slightly in the centre position, this causes a change in the error voltage value vd, thereby controlling the frequency of the vco and restoring it to the exact value (i. E., returning to synchronization). The largest range of vd changes can be from vmin to vmax, corresponding to a change of 360° of the sample pulse position. In fact, sawn-tooth wave voltage is not the ideal scenario (ccb's discharge time equals zero) as shown in (a), but rather a certain amount of discharge time, and thus a locked phase of less than 360°。
2. Charge pump (charge pump)
The following is a chart showing the charge pump (charge pump):

The main function of the charge pump is to provide the ideal constant current source for the chain cycle, maintain good linear relationships and make the frequency range easy to control. The role of the capacitive cp in the figure is mainly to reduce the number of telecommunication disturbances. The increase in r2 is mainly to ensure the stability of charge pumps。
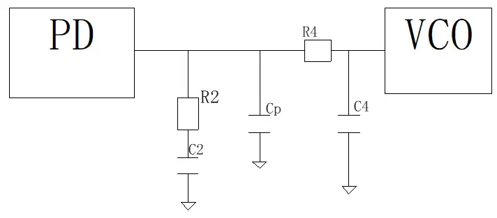
3. Low-access filters
The following is a low-throughput filter map:

The c4 step in the figure further reduces the phase noise of the charge pump. Cp is a guarantee of instantaneous features that make the loop better able to track changes in input frequency。
Requirements for vco: high spectrum accuracy; voltage frequency with linear transmission properties; frequency stability; low power consumption。
4. Calculation of the closed circle transmission function
Different manufacturers will provide different methods of calculation, and an empirical calculation will follow。
Third steps: f1(s) = (1+c2r2)/s (c2r2cps+c2cp)
Four steps: f(s) = f1/(1+c4r4s)
Kv is for the gain of vco, kp is for the gain of the separators, and alpha, beta is for the experience values of 3-4。
This can be calculated by:
ωc = kvkp/n.(r2c2)/(c2+cp) and cp calculates r2 = nωc/kvcv, c2 = alpha/r2ωc, cp = 1/betar2ωc.
5. The following figure is the frequency of the chain circuit

6. Lbw and noise calculations
Lbw is the open-ring bandwidth of the chain and, generally speaking, it is one tenth of the reference frequency for entering a forensic camera. Lbw is calculated at 20khz with a locking time of less than 577 ms, as shown in the above figure。
Noise calculations are as follows:


Φnr is the noise of reference signals, Φnθ is the noise of forensics, Φnv is the noise of vco
= kvf(s) (φnr+nθ) / s (1+kvf(s)/ns) + φnθ/ (1+kvf(s)/ns)
= g(z) (φnr+nθ)+ gr(z)φnθ
G(z) is the low transit function and gr(z) is the high transit function。
Introduction of typical programmes
1. Adf4372 programme developed by adi
Adf4372 when used in conjunction with an external loop filter and an external reference frequency, a decimal n-minute or integer n-point-frequency-locked frequency synthesiser (pll). Broadband microwave pressure oscillator (vco) design allows the generation of frequencies of 62. 5 mhz to 16 ghz. Adf4372 has an integrated vco with a basic output frequency range of 4000 mhz to 8000 mhz。
In addition, vco frequencies are connected to the 1, 2, 4, 8, 16, 32 or 64 sub-frequency circuits, so that users can generate radio frequency (rf) output frequencies up to 62. 5 mhz on rf8x. The frequency on rf16x can generate frequencies from 8 ghz to 16 ghz. Rfaux8x copy the frequency range of rf8x or allow direct access to vco output. In order to contain unwanted multi-frequency products, a mechanized filter was used between the output level of the multi-frequency and rf16x。
The membranes are controlled through a three-line interface. Adf4372 is powered by analogue and digital power from 3. 15 v to 3. 45 v, which is 5 v for vco. Adf 4372 also contains hardware and software shutdown mode。

Strengths and characteristics:
Rf output frequency range: 62. 5 mhz to 16,000 mhz, with the support of decimal n frequency synthesizer and integer n frequency synthesiser
High resolution, 39 digits model
Fpfd:-90 dbc
Integrated rms dithered: 38 fs (1 khz to 100 mhz)
Normalized background phase noise: −234 dbc/hz
Fpfd works at 250 mhz, base input at 600 mhz
Programable 1, 2, 4, 8, 16, 32, or 64-minute output
Rf8x and rfaux8x output with 62. 5 mhz to 8,000 mhz, rf16x output with 8,000 mhz to 16,000 mhz
The locking time is approximately 3 ms and automatic calibration, locking time simulation and digital power: 3. 3 v (typical value), vco power voltage: 3. 3 v and 5 v
Rf output mute
7 mm x 7 mm 48end lga encapsulation
2. Lmx2820 programme developed by ti
Lmx2820 is a high performance broadband synthesiser that generates any frequency in the range of 45 mhz to 22. 6ghz. High performance pll has a quality factor of 236 dbc/hz and a high phase detector frequency, which achieves very low intra-band noise and integrated shaking. The high-speed n-specifiers do not have pre-spectrums, thus significantly reducing the amplitude and quantity of fragmentation. There is also a programmable input multiplier to mitigate the fragmentation of integer boundaries。
Lmx2820 allows users to synchronize the output of multiple devices and also supports applications that require certainty delays between input and output. Rapid calibration algorithms significantly reduce the timing of vco calibration and support systems that require rapid jump frequency. Lmx2820 can generate or repeat sysref that meets the jesd204b standard and can be used as a low noise clock source for high-speed data converters。
The compositer can be used with external vco, in addition to providing direct PDF input steps to support offset mixing to achieve low dissipation transmissions. The device is powered by a single 3. 3v power supply and has an integrated ldo, with no plate-mounted low noise ldo。

Arrow, an agent for the above programme, has been widely applied in the areas of multi-carrying global mobile communication systems (mc-gsm), 5g and mm wave wireless infrastructure, microwave link, testing and measurement equipment, high-speed data converter timing, frequency synthesis, clock generation and phase management. At the same time, arrow provides a combination of bottom noise, high-reliability power supply programs, and high-q-value sensor packagings, with major brands such as tti, adi, nxp, on, st, etc。
Source: arrow solution





