The electromagnetic furnace circuits, though not very complex, are not always clear to us which elements, and i share with you today, through a classic electromagnetic furnace circuit, what the typical typical faults are caused by。
Case one is that during the use of the electromagnetic furnace, its power tubes were always damaged. For this failure, we focus on the functional circuits of the electromagnetic furnaces that are power-driven, synchronized, wave-protected circuits, current detection and pulse-wide pwm-modulated circuits。
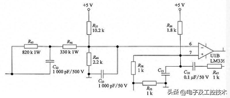
A wave-protected circuit map is given below, where the main elements we detected during the detection of malfunctions are electrical resistance r37, r38, r53, r45, r46 and capacitive c23, which is more likely to be damaged than damaged during physical repairs, and which is the subject of a major inspection。

Electromagnetic furnace waves protect circuits
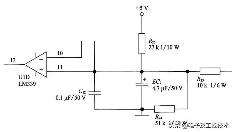
Case two is the poor heating effect of the electromagnetic furnace. We need to focus on the current detection circuits, the pwm wide-banded circuits, and the power pipe overture protection circuits, which are listed below as part of the pwm wide-banded circuits. The problems arise mainly with electrical resistance, r23, r24, r25 and electrolytic capacitor ec2 and capacitor c2, most commonly in physical repairs。

Pwm pulsed circuits
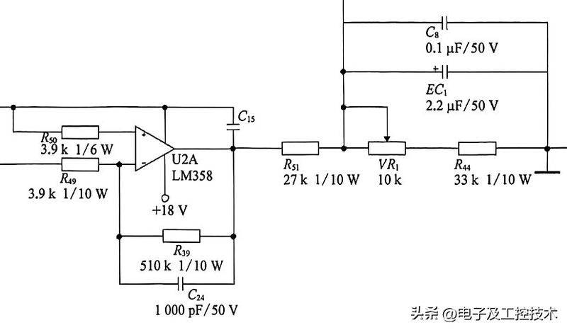
Case three concerns the problem of “intermediate heating” in electromagnetic furnaces. We need to focus on the temperature detection circuits of the insulation transistor igbt, surface temperature detection circuits, current detection circuits, wave protection circuits. The main components examined were electrical resistance r44, transferable resistance vr1, electrolytic capacitor ec1, capacitor c8 and resistance r51. We're in the middle of a physical overhaul, and we're often having bad contact with vr1。

Flow detection circuits
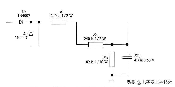
Case four is that electromagnetic furnaces sometimes do not heat, sometimes heat, but at a slow pace. The main areas of the circuits that we need to focus on are current detection circuits, wave protection circuits, voltage detection circuits, convulsion circuits and pan circuits. Our main units are diode d2, d1 and resistance r1, r2, r14 and electrolytic capacitor ec3. In actual testing, there have been more frequent changes due to resistance values for resist r2。

Electromagnetic furnace voltage detection circuits
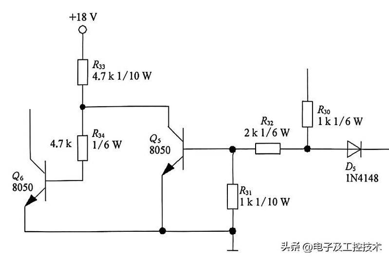
Case five is an electromagnetic furnace that failed to make the pot. The problem is that we mainly detect synchronized circuits, calibrate circuits, drive circuits, oscillating circuits. The main objects examined were electrical resistance r30, r32, r33, r34 and tripolar q5, q6. In practice, it is common to see that tripolar q5 was pierced。

Electromagnetic furnaces inspecting boiler circuits
Case six is an electromagnetic furnace with a power-to-heat anomaly, but a small power-to-heat is normal. We focus on high- and low-voltage power circuits, wave protection circuits, current detection circuits and synchronized circuits. The main elements examined for such problems were electrical resistance r3, r4, r5, r6, r7, r8 and capacitor c20, c21 and c18. The main common damage in the actual overhaul was the electric c20 component。

Synchronized circuits of electromagnetic furnaces
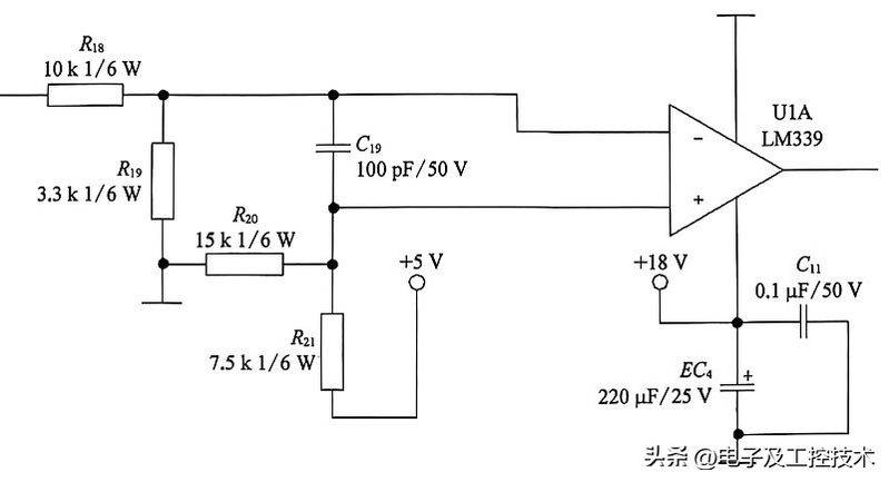
The seventh case is that the electromagnetic furnaces do not heat up and do not call the police. In this case, the main functional circuits we're testing are shock circuits, pan circuits, flood-protected circuits, and power-controlled pipe-protected circuits. The main suspected elements were electrical resistance r18, r19, r21 and capacitor c19. It is common for physical repairs to be caused by changes in the resistance value of fixed resistance r21。

The electromagnetic furnace igbt is under pressure to protect circuits
In the case of the electromagnetic furnace, the eighth case was the suspension of the electromagnetic furnace a few minutes later. In this case, we're going to check the wind engine's drive circuit, the igbt tube's temperature detection circuit. The main elements to be screened were electrical resistance r13, tripolar q1, diode d4, and the end of the line cn2, which was frequently the result of the deterioration of the diode d4 during the physical overhaul。

Electromagnetic furnace windmill driven circuits
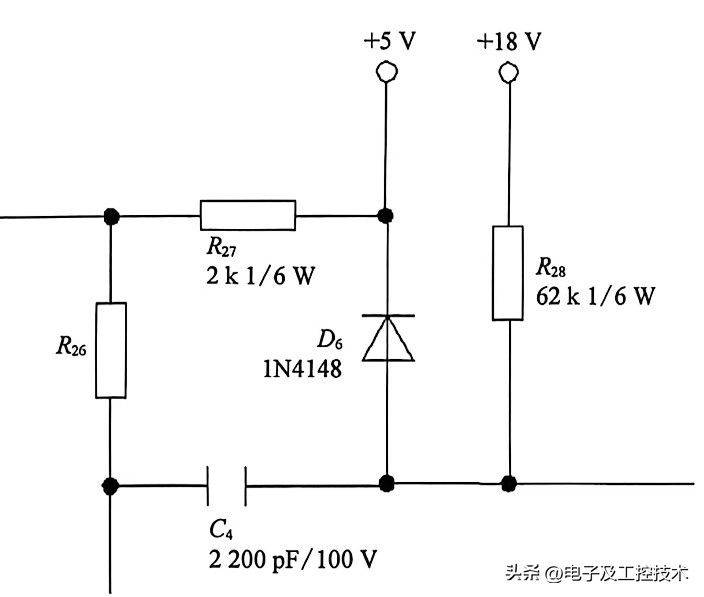
Case ix is that the temperature cannot be increased when the electromagnetic furnaces heat up. The main functional circuits that we detect are current detection circuits, wave protection circuits, and shock circuits. The main suspected components are electrical resistance r26, r27, r28, diode d6 and capacitor c4. The components damaged during actual overhaul are the most common of the diode d4s。

Part of the electromagnetic furnace oscillating circuits
Today we share the nine cases of failure, which, according to these cases, can be caused by different functional circuits; or different faults may come from the same functional circuit, so we need to learn how to analyse circuits, so that we can strengthen real-time, fast and good maintenance appliances。




