1. In the first chapter of the emp maintenance manual, chapter i of the emp manual, the electromagnetic furnace works mainly using electromagnetic induction principles to convert electrical energy to thermal kitchen appliances, and when the electromagnetic furnace works, to turn 50hz's communication voltage into direct current voltage by the whole circuit, then to convert direct current voltage by the controlled circuit to high frequency voltage with a frequency of 20-40 khz, the electromagnetic coil on board produces repeated cutting changes in the intersection magnetic field at the bottom of the boiler, resulting in a ring current (vortex) at the bottom of the boiler, and to heat the boiler base with the short-circuit heat effect of a small electrical barrier to large currents in order to heat the bottom and then heat up the contents of the heating equipment. The first chapter of this oscillating heat is the principle and structure of the electromagnetic furnace
Electromagnetic furnaces mainly convert electric energy to thermal kitchen appliances using electromagnetic induction principles, and when the electromagnetic furnaces function, 50 hz communication voltages are converted from the whole-flow circuit to direct current voltage, then direct current voltage is converted to high-frequency voltage voltages with a frequency of 20-40 khz through controlled circuits, and repeated cutting changes in the magnetic field at the bottom of the boiler, generating circular currents (vortex) at the bottom of the boiler, and producing heat directly from the short-circuit heat effect of the small electrical resistance to large currents, and then heating the boiler base with heat. This heat-heating mode of oscillation reduces the middle of the heat transfer and greatly increases the heat efficiency。
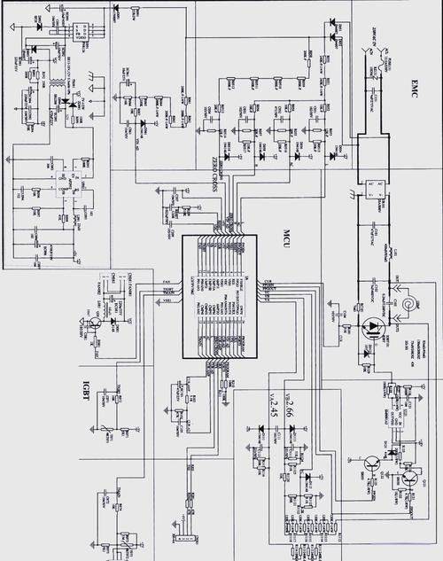
3, 60; emi's electromechanical working principles are as follows:

Four, zero; adjust led-spectrograph circuits power-driven circuits wave-shaped circuits pass the voltage detection circuits, panware checks
5, 160; measuring circuits; controlling ic circuits; lowering current circuits; temperature detection circuits; currents; adjusting &
6 #160; section ii. Models and cargo numbers of electromagnetic furnaces

7, 60; a indicates that the surface of the ceramic plate is dent: v indicates vfd display for display purposes. Is the fluorescent colour display (high-end series) c for lcd display. The blue screen lcd display (medium series) is a digital display. Is the display of digital tubes (medium series)
8. A vacancy indicates no display function. (low series) 3 for ceramic panel shapes: y for panel in circle (y:yuan circle) f for panel in square (f:fang square) 4 power statement: &
9 #160; composed of two digits, data x 100 is the maximum power of the electromagnetic furnace. For example: 08 indicates maximum power of 800 w; 1600 w indicates maximum power of 1600 w5 equipment distinction code: a, b, c, d used to distinguish between different electromagnetic furnaces in the same series

10/ city, for the time being, the certification of an old psd is used, so that the psd code is retained for the product series. Example of code: mcpvf20a mmidea; c emp; p-level ceramic plate; vvfd display; &
11, #160; f square ceramic panels; 20 max power 2000w; aa model; ii. Prototype of electromagnetic furnaces 1 22
12, 60; yv product identification code: digital form, distinguishing between different products. "1, 2, 3" if such thrust product power signature code: two numerals, representing 1/1000 power of the electromagnetic furnace. For example: 22 indicates an electromagnetic furnace with a power of 2,200 w. The y-round ceramic plate f-square ceramic plate displays the characteristic code: a letter indicates the characteristic of the product, and at the same time it is a slotting distinction。




